Toon onbeantwoorde berichten | Toon actieve onderwerpen Het is nu 18 jan 2026 23:20

#62483 - schema
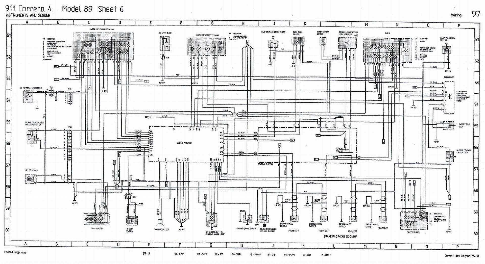
#62483 - schema
Poster: WillemB
Titel: #62483 - schema
Omschrijving:
Geplaatst: 09 sep 2014 22:11
Views: 19
« Vorige - Volgende »
Alle tijden zijn GMT + 1 uur [ Zomertijd ]


   
Powered by phpBB © 2000, 2002, 2005, 2007 phpBB Group. • Statistieken
www.porscheforum.nl is niet verbonden aan Porsche AG of Pon Porsche Import.